As of August 2020 the site you are on (wiki.newae.com) is deprecated, and content is now at rtfm.newae.com.

CW308T-MSP430FR5

From ChipWhisperer Wiki
Revision as of 13:08, 4 December 2016 by Coflynn (Talk | contribs)

Jump to: navigation, search

Msp430fr5xxx target.jpg

Hardware Description

This target board is designed to experiment with the MSP430FR5969 (which has hardware AES), and MSP430FR5869 (without hardware AES). The same footprint can be used with both parts - the MSP430FR5869 has the advantage of being easier to export due to a lack of cryptographic modules present.

The device can be programmed with an external programmer using JTAG or Spy-Bi-Wire, or from the ChipWhisperer software using the serial BSL (Bootstrap Loader). Using BSL requires an entry sequence that can be generated by ChipWhisperer-Capture hardware.

Side Channel Attacks

Many considerations of side-channel attacks on the MSP430FR5969 have been presented by Amir Moradi and Gesine Hinterwalder in their paper Side-Channel Security Analysis of Ultra-Low-Power FRAM-based MCUs, which was presented at COSADE 2015. This includes considerations on the architecture of these devices, and also presents an attack against the hardware AES peripheral. The hardware attack has not yet been replicated on the ChipWhisperer-Lite hardware, but this section will be updated once that occurs.

Build Environment

The examples are designed to be built with GCC for the MSP430 (msp430-elf-gcc). You can download a build of GCC from TI's website, although you may also have a build from another location. Downloading from TI will require registering & agreeing to some export control conditions. The following assumes you have installed this version of GCC.

If you want to use an external programmer, you can also download a Command-Line MSP430Flasher program.

Include File Location

Currently, the provided GCC does not seem to add the MSP430 header files as a default include location. Instead you must specify the location of these files in the Makefile - on Windows for example this defaults to C:\ti\msp430_gcc\include . You will see one of the first lines of the Makefile specifies this path:

INC_PATH = C:/ti/msp430_gcc/include/

Batch File for Building

When running make, you'll need to have the msp430-gcc files on your system path. Rather than modifying your path, you may wish to make a batch file with the path on it. For Windows you can call this file tigcc.bat, and for example the following shows including both GCC and the flasher program:

set PATH=%PATH%;C:\ti\msp430_gcc\bin;C:\ti\MSPFlasher_1.3.10
cmd

Double-clicking on this file should give you a command prompt which now has tools like make and msp430-elf-gcc in the path:

Msp430 cmd make.png

Example Projects

Using JTAG Programmer

The ChipWhisperer does not contain a JTAG programmer, but you can use any MSP430 programmer instead. If you don't already have one, a cheap/easy solution is to purchase a MSP-EXP430FR5969 which is TI's MSP430FR5969 development kit. It contains an integrated debugger/programmer which uses the 2-wire JTAG protocol.

To interface to the chip, remove the jumpers connecting to the target section labeled RST and TST. Then using jumper wires connect these to TODO and TODO respectively, as shown here (also be sure to connect a ground reference):

Note if using the MSP430-BSL target on the ChipWhisperer-Lite it will control the RST/TST lines as well, so you'll have to tristate those lines from the ChipWhisperer-Lite.

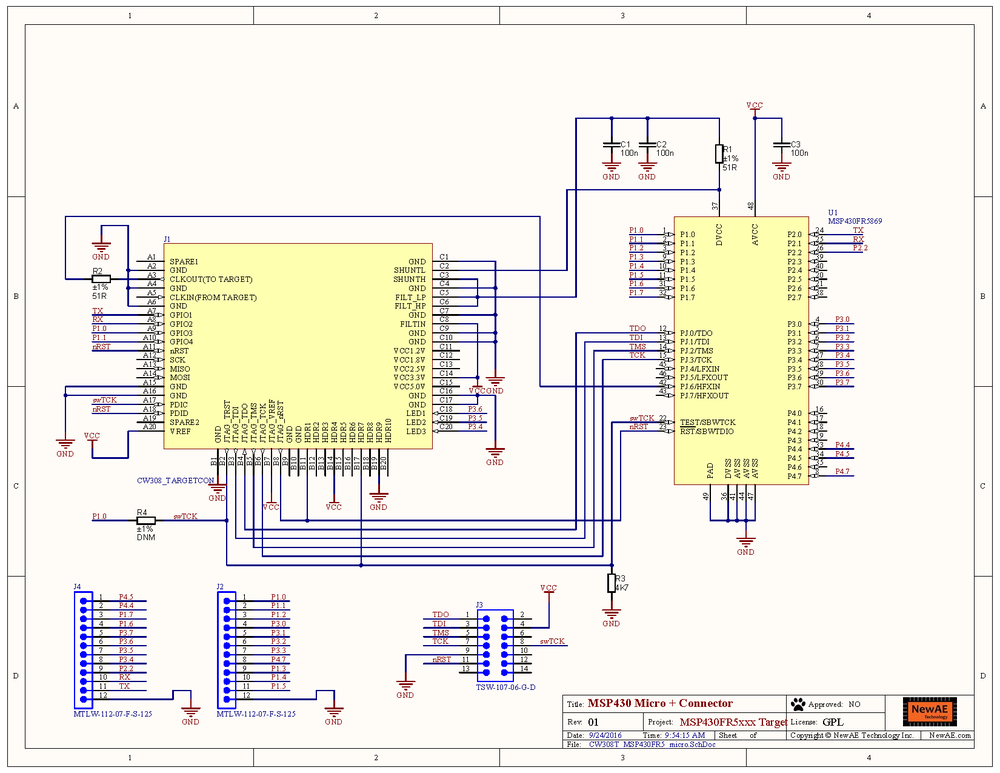
Schematic

NOTE: Schematic is marked as unapproved until hardware has been fully validated.

CW308T MSP430FR5xxx Schematic.png

See GIT Repo for PDF of schematic.

Board Layout

See GIT Repo for gerber files.