As of August 2020 the site you are on (wiki.newae.com) is deprecated, and content is now at rtfm.newae.com.

CW308T-XMEGA

From ChipWhisperer Wiki
Revision as of 07:56, 2 April 2017 by Coflynn (Talk | contribs)

Jump to: navigation, search
CW308T-XMEGA
P1090089.jpg
Target Device Atmel XMEGA
Target Architecture 8-bit Harvard
Hardware Crypto Possible
Design Files

GITHub Link

1-Click BOM

OSH Park PCBs


P1090089.jpg

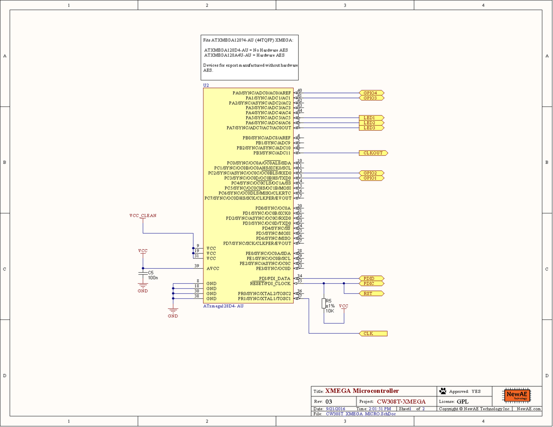
The CW308T-XMEGA fits an Atmel XMEGA device.

I/O Connections

CW308 Pin ATXMega Pin Notes
GPIO1 PC3 (TXD0) Serial OUTPUT from AVR.
GPIO2 PC2 (RXD0) Serial INPUT to AVR.
GPIO3 PA1 Spare pin.
GPIO4 PA0 Trigger pin.
CLKIN XTAL1
CLKFB PB3 Can output clock on this pin. Useful for synchronizing to internal RC oscillator.
LED1 PA5
LED2 PA6
LED3 PA7
PDID PDID In-System programming.
PDIC/nRST nRST/PDIC In-System programming.

Hardware AES

The XMEGA device that ships with most standard boards is the ATXmega128D4-AU, the same device on the ChipWhisperer-Lite. This board does not contain hardware AES to simplify compliance with export rules.

The pin-compatible ATXmega128A4U-AU contains a hardware AES accelerator. If you wish to attack this device, you can purchase the blank CW308T-XMEGA PCB (or download gerbers from the GIT repository and make them yourselves) and mount the appropriate XMEGA device.

Programming Header

The 6-pin programming heading can be used with the Atmel PDI interface. The pinout of the 6-pin programming header on the main-board allows it to work with standard Atmel ISP tools:

Xmega pdi.jpg